hardware based TV Ambient-Light "SCIMO" - hardware V1.0
hardware V1.0 description
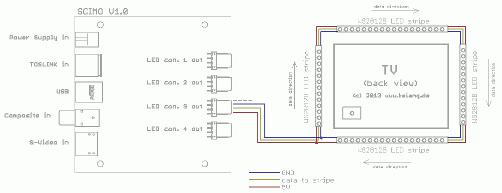
How connect WS2812B LED stripes:
features:
- Standalone device: video analysis and control of the LEDs is done in realtime by the microcontroller
- Video input ( PAL, NTSC, SECAM): S-Video or Composite (CVBS)
- Audio input: S/PDIF TOSLINK (for sound to light control)
- USB full speed device (for initial configuration via PC)
- Included receiver for infrared remote control
- up to 240 zones (LEDs) can used for video analysis, processed with 50/60 fps
- configurable signal delay to compensate TV display input lag
- digital LED / IC and protocols: DMX512 single ended, WS28xx, TM18xx ...
- Integrated 5V/3A Step-down regulator for digital LEDs -> only one power supply needed ( 7V - 30Vdc )
- Firmwareupdate via USB
- Device automatically wakes up or goes into standby, depending on existing video signal and/or audio signal (eg if TV, PC switched on/off)
technical data:
- Video analysis: done by very powerfull 32-bit ARM Cortex-M4 microcontroller with DSP (Digital Signal Processor) and FPU (Floating Point Unit)
- realtime operation system used in microcontroller are optimized for best performance and needed resources
- Video deocder: TVP5150AM1 from Texas Instruments digitizes analog video signal
- internal Video Data Format: ITU-R BT.656 ( 8 data bits at 27 MHz pixel clock )
connectors:
- S-Video input (video signal)
- Composite input (video signal)
- USB 2.0 (for initial configuration of SCIMO, PC needed)
- power supply input ( 7V - 30Vdc / max. 3.0A )
- Toslink (optical audio input)
- four universal LED stripe connectors (supports simple (analog) or digital RGB LED stripes)
hardware feature:
- onboard fuse and reverse polarity protection at power supply input
- automatic low-power standby mode
- integrated 5V/3A power supply for 5V LED stripes
- 12V pass-through power supply for 12V LED stripes
- infrared remote control receiver
- two dual colour LEDs shows current status (video signal detection, standby mode)
- onboard microswitch
- ESD protection
Ambient-Light hardware concept: Scimo V1.0
Dimensions of the board Scimo V1.0
Image of PCB created with Eagle3D
PCB "Scimo V1.0"

assembled PCB

KeiAng
Publiziert am: Mittwoch, 14. September 2016 (11333 mal gelesen)
Copyright © by Keiang''s electronics hobby side
[ Zurück ]